


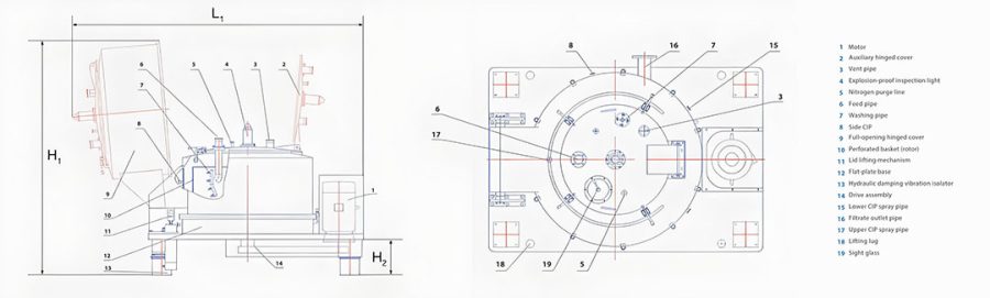
The PQFB Series is a sanitary flat-plate top discharge filtering centrifuge designed for washing and dewatering crystalline, granular and other purity-critical products in GMP and cleanroom-oriented environments. Its fully opening hinged cover, flat-plate base and externally arranged drive provide excellent accessibility for inspection, cloth change and cleaning, while the rigid structure and precision balancing ensure low vibration and stable operation. The PQFB Series is widely used in pharmaceutical, food, fine chemical, electronic material and new-energy applications where hygienic design, low product hold-up, easy maintenance and reliable batch repeatability are essential.
Key Feature 1 — Hygienic Flat-Plate Design
The flat-plate base eliminates traditional tripod foundations and hidden cavities, greatly reducing product hold-up and hygienic dead zones. This simplifies cleaning, visual inspection and residue control in GMP and cleanroom applications.
Key Feature 2 — Fully Opening Cover & External Drive
The fully opening hinged cover and external drive layout provide wide access to the basket, filter cloth and internal surfaces, enabling easier manual cleaning, optional CIP execution and faster cloth replacement between batches.
Key Feature 3 — Efficient Filtration & Washing
High centrifugal force and optimized basket geometry deliver stable cake formation and efficient liquid-solid separation. Integrated spray washing enables effective displacement washing to reduce mother-liquor residue and soluble impurities.
Key Feature 4 — Low Residual Moisture & Gentle Product Handling
Controlled acceleration, braking and spin-drying reduce residual cake moisture while limiting shear on the solids. This helps protect fragile crystals and maintain particle-size distribution.
Key Feature 5 — GMP Integration & Safer Batch Operation
Optional VFD control, CIP/SIP functions, nitrogen blanketing and multi-level safety interlocks support repeatable batch operation and easier compliance with GMP, EHS and site-quality requirements.
(1) GMP & Hygiene-Critical Operation
The PQFB Series is intended for batch production steps with strict cleanliness requirements. Smooth product-contact surfaces, open-access geometry and optional CIP/SIP capability help reduce cross-contamination risk in multi-product facilities.
(2) Suitable for Solvent and Hazardous Duties
With gas-tight execution, optional nitrogen blanketing and explosion-proof electrical configuration, the centrifuge can be adapted for flammable, volatile or toxic solvent systems and connected to vent-gas or solvent-recovery units.
(3) Good for High-Value and Purity-Critical Products
The machine is particularly suitable for high-value intermediates, high-purity chemicals and selected HPAPI-related duties where containment, cleanability and mother-liquor removal are critical to product quality and operator safety.
(4) Crystal Protection & Controlled Cake Formation
Optimized basket design, controlled feeding and uniform washing support gentle cake build-up and preserve crystal habit and PSD while improving washing efficiency and final purity.
(5) Fast Changeover for Multi-Product Facilities
The fully opening cover and smooth interior surfaces allow fast access for inspection and cleaning, helping shorten downtime between campaigns and support flexible production scheduling.
Pharmaceuticals & Biopharma (APIs / Intermediates)
Crystallization, washing and dewatering of antibiotics, vitamins, amino acids, cephalosporin intermediates, oncology intermediates and other purity-sensitive materials.
Fine Chemicals & Electronic Materials
High-purity organic intermediates, specialty monomers, oligomers, photoresist-related materials and electronic chemicals requiring low contamination and high cleanliness.
Food Ingredients & Functional Additives
Food-grade organic acids, sweeteners, nutritional fortifiers, enzymes, proteins and other products requiring hygienic construction and low-shear handling.
Advanced Agrochemicals
High-purity pesticide actives, intermediates and export-grade formulations requiring multi-stage washing and strict impurity control.
New Energy & Battery Materials
Battery-grade lithium salts, electrolyte-related chemicals, conductive additives and other wet-process materials with strict moisture and trace-contaminant limits.
Feeding: The suspension is introduced into the rotating basket lined with filter cloth.
Filtration: Under centrifugal force, the liquid passes through the cloth and perforated basket wall, while solids are retained on the cloth to form a cake.
Washing: Wash liquid is sprayed onto the cake to displace mother liquor and remove soluble impurities.
Spin-Drying: A high-speed spin stage further reduces residual moisture to the specified level.
Discharge: After deceleration and complete stop, the hinged cover is opened and the operator manually loosens and discharges the cake. The basket and casing are then cleaned as required before the next batch.
| Product Name | Item | Standard configuration | Optional configuration |
| Sanitary Flat-Plate Top Discharge Centrifuge (PQFB Series) | Materials of construction | Product-contact parts in 304 or 316L stainless steel; internal surfaces mechanically polished to sanitary finish; FDA-compliant elastomer gaskets on all process seals | Higher-alloy materials such as 904L, duplex stainless steel or Hastelloy for highly corrosive media; electropolished internal surfaces for high-purity or electronic-chemical service; alternative gasket materials such as FKM or PTFE |
| Sanitary Flat-Plate Top Discharge Centrifuge (PQFB Series) | Basket & filter medium | Perforated basket optimized for crystalline and granular products; stainless-steel support screen with standard woven filter cloth selected for the application | Special basket perforation pattern or wall thickness for fragile crystals or dense cakes; wider choice of filter media such as PP, PES, PTFE, antistatic or conductive fabrics tailored to retention, cleanability and chemical resistance |
| Sanitary Flat-Plate Top Discharge Centrifuge (PQFB Series) | Washing & cleaning | Top-mounted wash nozzles for in-process cake washing; external wash connection for manual rinsing of the housing, cover and piping | Integrated upper and lower CIP spray lances for automatic cleaning of basket, cover and housing; dedicated plant CIP connections with return and drain lines |
| Sanitary Flat-Plate Top Discharge Centrifuge (PQFB Series) | Gas & venting | Standard vent nozzle on the cover for connection to plant exhaust or local vapor extraction system | Nitrogen purge or blanketing line for inerting the headspace; custom vent size or nozzle arrangement; provisions for connection to solvent-recovery units or off-gas scrubbers |
| Sanitary Flat-Plate Top Discharge Centrifuge (PQFB Series) | Drive & control | V-belt or direct-coupled motor drive with mechanical braking; local start/stop station with speed indication and emergency stop | Variable-frequency drive (VFD) for soft start/stop and speed profiling; PLC-based control with recipe management, batch timer and event logging; DCS/SCADA communication interface |
| Sanitary Flat-Plate Top Discharge Centrifuge (PQFB Series) | Instrumentation | Standard rotating-speed monitoring and mechanical overspeed protection; lid-closed limit-switch interlock | Vibration monitoring, bearing-temperature indication, basket load or cake-level sensors, and additional interlocks with alarm outputs for condition-based maintenance |
| Sanitary Flat-Plate Top Discharge Centrifuge (PQFB Series) | Safety & compliance | Mechanical and electrical interlocks preventing operation with the cover open; emergency stop and safety guarding in accordance with general machinery requirements | Execution for classified hazardous areas (e.g. ATEX/IECEx) with explosion-proof motor, instruments and control panel; extended safety documentation and risk analysis |
| Sanitary Flat-Plate Top Discharge Centrifuge (PQFB Series) | Documentation | Standard documentation set including operating manual, basic outline drawings and material certificates for wetted parts | Enhanced documentation package with weld and surface-finish reports, inspection and test plans, FAT/SAT protocols and IQ/OQ documentation to support GMP qualification and audits |
| Product Name | Model | Drum diameter (mm) | Drum height (mm) | Max volume (L) | Max load (kg) | Max speed (rpm) | Max G-force | Motor power (kW) | Machine dimension L×W×H(mm) | Machine weight (kg) |
| Sanitary Flat-Plate Top Discharge Centrifuge | PQFB450 | 450 | 300 | 20 | 30 | 2000 | 1007 | 3 | 1430×850×1070 | 600 |
| PQFB600 | 600 | 325 | 47 | 70 | 1600 | 880 | 4 | 1880×1100×1100 | 1200 | |
| PQFB800 | 800 | 400 | 100 | 140 | 1200 / 1500 | 645 / 1007 | 7.5 | 2200×1250×1310 | 2000 | |
| PQFB1000 | 1000 | 425 | 145 | 200 | 1100 / 1200 | 680 / 805 | 11 | 2460×1400×1400 | 2600 | |
| PQFB1250 | 1250 | 485 | 320 | 400 | 1000 / 1200 | 700 / 1007 | 18.5 / 22 | 2770×1800×1470 | 4300 |

| Project | Model | ||||
| PQFB450 | PQFB600 | PQFB800 | PQFB1000 | PQFB1250 | |
| L×W×H | 1430×850 | 1880x1100 | 2200x1250 | 2460x1400 | 2770x1800x |
| (mm) | x1070 | x1100 | x1310 | x1400 | 1470 |
| H₁ | 1400 | 1700 | 2020 | 2220 | 2770 |
| H₂ | 330 | 280 | 330 | 380 | 370 |
| L₁ | 1760 | 2340 | 2800 | 3150 | 3600 |