

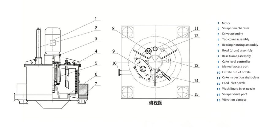
The XJZ (PAUT) Series is a top-suspended vertical filter centrifuge with a plate-type base and automatic scraper bottom discharge. It integrates feeding, filtration, (optional) multi-stage washing, spin-drying and controlled cake discharge into a recipe-based automatic batch cycle. The fully enclosed, gas-tight housing supports clean operation, stable batch consistency and high product recovery—ideal for chemical, fine-chemical, pharmaceutical intermediates and hygiene-sensitive applications.
Key Feature 1 — Top-Suspended Stability & Lower Maintenance
Top-suspended rotor with optimized support geometry delivers stable running with low vibration—well-suited for long-term production duty.
Key Feature 2 — Gas-Tight Housing & Optional Inerting
Gas-tight enclosure supports vent/condensate interfaces. Optional nitrogen blanketing, O₂/LEL monitoring and engineered vent connection for solvent/toxic duties.
Key Feature 3 — Efficient Clarification and Dewatering
Programmable cycle (feed–filter–wash–spin–discharge) improves repeatability, reduces labor and stabilizes product quality.
Key Feature 4 — Low Heel, Fast Turnaround
Controlled scraper depth enables thorough cake removal, minimizing heel and cross-contamination, speeding up changeover.
Key Feature 5 — Wide Configuration Envelope
Broad options from 304/316L to 904L, Duplex, Hastelloy®, titanium or PTFE/PFA lining; explosion-proof electrics and enhanced instrumentation available as required.
(1) For Crystalline & Granular Solids
Designed for crystalline/granular solids; optimized feed distribution and acceleration profile help preserve crystal integrity and reduce fines.
(2) Deep Washing & Purity Control
Supports in-basket spray washing and optional multi-stage strategies for low mother-liquor carryover and strict purity limits.
(3) Low Residual Moisture Spin-Drying
High-G spin drying reduces residual moisture, lowering downstream dryer duty and energy.
(4) Containment & Cleanability
Enclosed design improves containment. Optional CIP/SIP-ready internals reduce manual cleaning and changeover time.
Fine chemicals: organic salts, catalysts, additives, dyes/pigments intermediates
Pharma intermediates: crystalline products requiring hygiene and consistency (material/config per duty)
Food/nutrition: organic acid salts, sweeteners, functional powders
Environmental/resource recovery: selected inorganic salts/precipitates dewatering
Any batch duty requiring filtration + washing + spin-drying + automatic discharge
Step 1 Feeding: Slurry enters the rotating basket; solids form a cake on the filter cloth/screen.
Step 2 Filtration: Liquid passes through the medium as filtrate under centrifugal force.
Step 3 Washing (optional): Spray liquor performs displacement washing to reduce mother-liquor carryover.
Step 4 Spin-drying: Basket accelerates to drying speed to reach target residual moisture.
Step 5 Discharge: Basket decelerates to scraping speed; scraper peels the cake and discharges through the bottom outlet.
Step 6 Cleaning/Ready: CIP or inspection/cleaning can be executed before the next batch.
| Product Name | Item | Standard configuration | Optional configuration |
| PAUT Plate-type Upper-Suspension Scraper Bottom Discharge Centrifuge (CN/EN) | Product-contact parts | Product-contact parts in SS304/SS316L (as required); non-contact parts in coated carbon steel | Higher corrosion resistance: 904L, duplex/super-duplex, Hastelloy®, titanium; PTFE/PFA lining |
| PAUT Plate-type Upper-Suspension Scraper Bottom Discharge Centrifuge (CN/EN) | Base & enclosure | Flat-plate base + fully enclosed gas-tight housing | Full stainless-steel base; upgraded coating for corrosive areas; skid-mounted execution |
| PAUT Plate-type Upper-Suspension Scraper Bottom Discharge Centrifuge (CN/EN) | Drive & speed control | VFD drive (soft start/stop, speed control) with basic automatic batch cycle | Explosion-proof electrics (ATEX/IECEx); upgraded motor and control |
| PAUT Plate-type Upper-Suspension Scraper Bottom Discharge Centrifuge (CN/EN) | Washing system | Standard wash nozzles and piping | Multi-stage manifold; flow/pressure-controlled washing; trace heating/insulation for special duties |
| PAUT Plate-type Upper-Suspension Scraper Bottom Discharge Centrifuge (CN/EN) | Instrumentation & interlocks | Basic: speed indication, vibration/bearing temperature (basic); lid/overspeed/E-stop interlocks | Advanced: torque/power, cake level/thickness, turbidity/conductivity, load cells/condition monitoring; DCS/SCADA integration |
| PAUT Plate-type Upper-Suspension Scraper Bottom Discharge Centrifuge (CN/EN) | Sealing & inerting | Mechanical seal with basic N2 purge/vent connection | Continuous N2 blanketing; O2/LEL monitoring; engineered vent-gas treatment interface |
| PAUT Plate-type Upper-Suspension Scraper Bottom Discharge Centrifuge (CN/EN) | CIP capability | Internal fixed spray nozzles, CIP-ready | Full CIP system (separate skid, return lines, flow/pressure/conductivity monitoring & logging) |
| Product Name | Model | Drum diameter (mm) | Drum height (mm) | Max volume (L) | Max load (kg) | Max speed (rpm) | Max G-force | Motor power (kW) | Machine dimension L×W×H(mm) | Machine weight (kg) |
| PAUT Upper Suspension Scraper Bottom Discharge Centrifuge | PAUT 1250 | 1250 | 800 | 450 | 560 | 970 | 658 | 30 | 2100×2000×2600 | 5000 |
| PAUT 1320 | 1320 | 800 | 490 | 620 | 900 | 600 | 30 | 2100×2000×2600 | 5500 | |
| PAUT 1600 | 1600 | 1000 | 1000 | 1250 | 850 | 647 | 45 | 2700×2350×2900 | 10000 |
